Fjellspisser
Som del av vårt stadige arbeid med å optimere produktene og gjøre dem så konkurransedyktige som mulig, har vi utviklet vår egen fjellspiss: Centrum Rock Shoe.
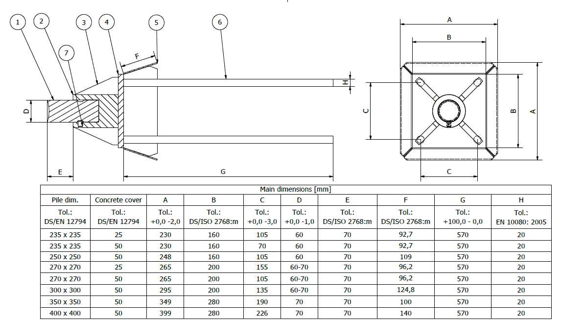
Centrum Rock Shoe ble utviklet med fokus på å utarbeide en pålitelig metode for å drive betongpeler i berggrunnen uten at de glir på en bratt skrånende berggrunn. Fjellspissene kan også med fordel brukes i jord som inneholder store steinblokker eller andre store hindringer som potensielt kan påvirke kreftene i pelene under driving.
Centrum Rock Shoe sørger for at kraften som påføres pelen, konsentreres i spissen av fjellspissen, noe som hindrer at pelen skades når den kjøres inn i berggrunnen eller marken.
Centrum Rock Shoe produseres lokalt i Danmark nær Centrum Pæle A/S. Det gir oss muligheten til å overvåke kvaliteten og produksjonsprosessene nøye. Dessuten er Centrum Rock Shoe godkjent og sertifisert iht. European Technical Assessment (ETA) for fjellspisser – EAD 200014-01-0103.


